ホーム > ブログ> 10 台中 9 台のリグがパンク防止のために Ryanster のアニュラー BOP を信頼している理由

10 台中 9 台のリグがパンク防止のために Ryanster のアニュラー BOP を信頼している理由

December 12, 2025

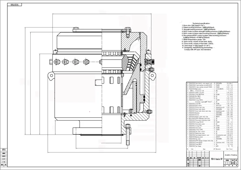
環状噴出防止装置 (BOP) は、石油およびガス掘削業界における重要な安全装置であり、坑井の圧力を管理し、人員、​​設備、環境にリスクをもたらす危険な噴出を回避するように設計されています。これらの適応性のある BOP は、ドリルパイプ、ケーシング、開いた穴の周囲を効果的に密閉し、予期せぬ圧力スパイク時に坑井の迅速な隔離を可能にします。特定のパイプ サイズに制限されるラム BOP とは異なり、環状 BOP はさまざまな形状やサイズに対応する柔軟なシール要素を採用し、信頼性の高い圧力制御を保証します。油圧を利用したシール機構はエラストマー要素を圧縮して確実なシールを形成し、ウェルの完全な隔離を保証します。主要なコンポーネントには、エラストマー シール要素、ピストン機構、高度な制御システムを備えた耐久性のあるハウジングが含まれます。シール要素は時間の経過とともに劣化する可能性があるため、最適な性能を維持し、漏れを防ぐには定期的なメンテナンスと検査が不可欠です。アニュラー BOP は、海洋と陸上の両方の掘削作業で広く利用されており、幅広いパイプ サイズや不規則な形状に対応することで安全性と効率性が向上します。石油およびガスの専門家にとって、これらの装置を理解し、保守することは、安全で成功した操業を確保するために非常に重要です。



なぜ 10 台中 9 台のリグが爆発防止のために Ryanster のアニュラー BOP に依存しているのか



石油・ガス業界では、噴出の防止は安全性、環境保護、業務効率に重大な影響を与える可能性のある重大な懸念事項です。私は、適切な機器がどのように大きな違いを生むかを直接目撃してきました。私を含め、多くの専門家が Ryanster の Annular BOP に注目するのはそのためです。私がこの分野に初めて携わったとき、噴出防止装置に利用できるオプションの多さに圧倒されました。リスクは高く、間違った機器を選択すると致命的な障害につながる可能性があります。信頼性とパフォーマンスは交渉の余地のないものであることがすぐにわかりました。 Ryanster の Annular BOP は、いくつかの理由で私にとって際立ったものでした。まず、その設計は極度の圧力や条件に対処できるように特別に設計されています。私たちの仕事では予測不可能な環境に直面することが多いため、この機能は非常に重要です。アニュラー BOP は、私たちが直面する課題に耐えられるという安心感をもたらします。次に、メンテナンスのしやすさも気になった点です。私はこれまで、修理に長時間のダウンタイムを必要とした機器を扱ったことがあります。 Ryanster の BOP を使用すると、メンテナンスが簡単になり、運用の中断が最小限に抑えられます。この効率性はコスト削減と生産性の向上につながります。さらに、Ryanster が提供したサポートとトレーニングに感謝しています。彼らの機器に切り替えたとき、私はチームと私が BOP を効果的に使用するための十分な準備ができていることを保証する包括的なトレーニングを受けました。このレベルのサポートは、特に安全性とコンプライアンスを優先する私たちにとって非常に貴重です。ようやく結果が見えてきました。 Ryanster の Annular BOP のパフォーマンスは、常に期待を上回っています。各種フィールドテストにおいて、噴出防止に不可欠な優れたシール性能を実証しました。この信頼性により同僚と私の信頼が得られ、Ryanster に依存するという決定が強化されました。結論として、Ryanster の Annular BOP を使用するという選択は、機器だけの問題ではありません。それは、安全性を確保し、効率を高め、信頼できる運用基盤を構築することです。吹き出し防止に取り組む業界関係者にとって、この製品は革新的な製品です。それがもたらす信頼と安心感が、10 台中 9 台のリグに信頼を寄せている理由です。


Ryanster の信頼できる環状 BOP の背後にある秘密を発見する


坑口の安全性と効率性に関して言えば、現場のオペレーターが直面している課題をよく考えます。一般的な問題点の 1 つは、制御不能な坑井圧力を防ぐために重要な噴出防止装置 (BOP) の信頼性です。ここで Ryanster の Annular BOP が登場し、多くの人が信頼するソリューションを提供します。 ニーズの理解 業界の専門家との会話の中で、リスクを最小限に抑え、生産性を最大化する信頼性の高い機器の必要性というテーマが繰り返し浮上します。オペレータは、重要な操作中に機器の故障が発生することを心配しており、これはコストのかかるダウンタイムや安全上の問題につながる可能性があります。アニュラー BOP はこれらの懸念に正面から取り組みます。 Ryanster のアニュラー BOP の主な特徴 1. 堅牢な設計: アニュラー BOP は、極端な条件に耐える設計を誇ります。耐久性を考慮して素材が選択されており、最も過酷な環境でも確実に機能します。 2. 使いやすさ: 多くのオペレータは、Annular BOP がいかに使いやすいかを高く評価しています。設置と操作には広範なトレーニングが必要ないため、チームは機器のトラブルシューティングではなく、中核となるタスクに集中できます。 3. 多用途: 浅水掘削でも深海掘削でも、アニュラー BOP はシームレスに適応します。この多用途性は、さまざまな運用ニーズにワンストップで対応できることを意味します。 実際の例 重要な掘削段階でオペレーターが爆発の可能性に直面した最近のケースを考えてみましょう。彼らはライアンスターのアニュラー BOP を導入し、坑井を効果的に密閉し、危険な状況を防ぎました。オペレーターは、安心感が得られただけでなく、業務遅延が大幅に減少したと報告し、リアルタイム シナリオにおける BOP の有効性を実証しました。 結論 要約すると、Ryanster の Annular BOP は、業界関係者にとって信頼できるソリューションとして際立っています。その堅牢な設計、使いやすさ、多用途性により、オペレーターが日々直面する主要な問題点に対処します。私はこの分野の専門家との関わりを続けるにつれて、この装置が安全性と効率性の向上にもたらす価値を理解しています。 Annular BOP のような信頼性の高いテクノロジーを導入すると、運用の成功に大きな違いが生まれます。


爆発防止のゲームチェンジャー: Ryanster の環状 BOP


石油およびガス産業では、安全性が最も重要です。この重要な側面の 1 つは爆発の防止であり、そのリスクは非常に高くなります。同僚や顧客から、従来の爆発防止装置 (BOP) の有効性に関する懸念についてよく聞きます。彼らは、壊滅的な障害が発生する可能性と、人員と業務の両方への影響を懸念しています。ここで、Ryanster の Annular BOP が登場します。 Annular BOP は、噴出防止技術の大幅な進歩を表しています。極端な条件下では困難を伴う従来の BOP とは異なり、この革新的なソリューションは信頼性とパフォーマンスの向上を実現します。ユーザーは、従来のシステムに伴う懸念の多くを軽減できる堅牢な設計と使いやすさを高く評価しています。利点を完全に理解するために、Ryanster のアニュラー BOP の特徴を詳しく見てみましょう。 1. 強化されたシール機能: アニュラー BOP は、さまざまな油井条件に適応する独自のシール機構を利用しています。この適応性により密閉性が高まり、噴出のリスクが大幅に軽減されます。 2. ユーザーフレンドリーな設計: 多くのオペレータは、従来の BOP の複雑さに不満を表明しています。 Ryanster の設計は操作を簡素化し、緊急事態における迅速な対応を可能にします。このユーザー中心のアプローチは、リグの安全性と効率を維持するために非常に重要です。 3. 過酷な環境での耐久性: 石油およびガス業界は、困難な状況で操業することがよくあります。アニュラー BOP は、極端な圧力や温度に耐えるように設計されており、最も重要なときに一貫したパフォーマンスを保証します。 4. 費用対効果: 高度なテクノロジーを追加の出費と考える人もいるかもしれませんが、ダウンタイムとメンテナンスの削減に伴う長期的な節約により、Annular BOP は賢明な投資となります。ユーザーからは、爆発事故が減ったために運用コストが下がったと報告されています。結論として、Ryanster の Annular BOP の導入は、パンク防止の大きな変革となります。業界の専門家が直面する共通の問題点に対処することで、安全性が向上するだけでなく、業務効率も向上します。私たちが前進する中で、このようなイノベーションを受け入れることは、業界の継続的な成功と安全のために不可欠です。


業界リーダーが Ryanster の Annular BOP を選ぶ理由


石油およびガス業界では、信頼性と安全性の重要性はどれだけ強調してもしすぎることはありません。この分野に深く関わっている者として、私は噴出防止に関してオペレーターが直面する重大な課題を理解しています。リスクは高く、信頼できるソリューションの必要性が最も重要です。ここで、Ryanster の Annular BOP が際立っています。多くのオペレーターは、高圧条件下で機能しない機器に苦労しており、コストのかかるダウンタイムや潜在的な安全上の問題につながります。私は不適切な噴出防止装置の影響を直接見てきたので、この問題点は心に響きます。それはコンプライアンスだけの問題ではありません。それは命と投資を守ることです。 Ryanster の Annular BOP は、これらの問題に正面から取り組んでいます。まず、極端な条件に耐える堅牢な設計を誇ります。これは、失敗が減り、運用に対する自信が高まることを意味します。第二に、ユーザーフレンドリーなインターフェイスによりセットアップと監視プロセスが簡素化され、オペレーターは本当に重要なこと、つまり安全性と効率性に集中できるようになります。これを説明するために、オペレータが既存の BOP で繰り返し障害に直面した最近のケースを考えてみましょう。 Ryanster の Annular BOP に切り替えた後、ダウンタイムが大幅に短縮され、運用効率が向上しました。この実際の例は、信頼できる噴出防止装置を選択することの有効性を強調しています。要約すると、Ryanster の Annular BOP の選択は単なる決定ではありません。それは現場での安全性と信頼性への取り組みです。ライアンスターは、機器の故障と運用の複雑さという一般的な問題点に対処することで、オペレーターが最高のパフォーマンスを発揮できるソリューションを提供します。業界は進化しており、それに伴い信頼性の高いテクノロジーの必要性も高まっています。適切な機器を選択することは、将来の成功のために不可欠です。


リグの保護: Ryanster の環状 BOP の利点



掘削作業の世界では、安全性と効率性が最も重要です。予期せぬ圧力サージからリグを保護するという困難な課題に直面しているオペレーターの話をよく聞きます。ここで、Ryanster の Annular BOP (Blowout Preventer) が登場します。業界の多くの人にとっての主な問題点は、壊滅的な故障、コストのかかるダウンタイム、安全上の危険につながる可能性があるパンクのリスクです。 Ryanster の Annular BOP に投資することで、通信事業者はこれらのリスクを大幅に軽減できます。この高度なテクノロジーは、掘削プロセスの完全性を保証する信頼性の高いソリューションを提供します。まず、Annular BOP がどのように機能するかを見てみましょう。ドリルパイプと坑井の間の環状空間を密閉し、発生する可能性のある圧力を効果的に制御するように設計されています。この機能は爆発を防ぐために非常に重要です。 BOP の堅牢な構造と革新的な設計により、極端な条件に耐えることができ、オペレーターに安心感を与えます。次に、インストールプロセスを検討します。 Ryanster のチームは包括的なサポートを提供し、BOP が正しく効率的にインストールされることを保証します。これにより、時間が節約されるだけでなく、穴あけ作業の全体的なパフォーマンスも向上します。オペレーターは、自分の機器がそのタスクに十分対応していることを認識して、自分が最も得意とすることに集中できます。さらに、アニュラー BOP の定期的な保守と点検は不可欠です。ライアンスターは、オペレーターが機器を最高の状態に保ち、予期せぬ故障の可能性を減らすのに役立つメンテナンス プログラムを提供しています。この積極的なアプローチは、BOP の寿命を延ばすだけでなく、リグの安全性と生産性にも貢献します。結論として、Ryanster の Annular BOP の利点は明らかです。このテクノロジーは、噴出防止という重要な問題に対処し、専門家による設置サポートを提供し、継続的なメンテナンスを提供することにより、あらゆる掘削作業にとって重要な資産として際立っています。適切な機器への投資は、コンプライアンスだけを考慮するものではありません。それはチームの安全と業務の効率を確保することです。今すぐ賢い選択をして、Ryanster の Annular BOP でリグを保護してください。


比類のない信頼性: Ryanster の環状 BOP の説明



掘削作業の世界では、信頼性が最も重要です。初めて防噴装置の問題に遭遇したとき、完全に信頼できる機器を用意することがいかに重要であるかを認識しました。傑出したソリューションの 1 つは、Ryanster の Annular BOP です。このデバイスは、一般的な問題点に対処するだけでなく、運用効率も向上します。従来の噴出防止装置では、多くのオペレータが頻繁なメンテナンス、高い故障率、複雑な設置プロセスなどの課題に直面しています。これらの問題は、コストのかかるダウンタイムや安全上のリスクにつながる可能性があります。期待どおりに動作しない機器に対処するフラストレーションは理解しています。だからこそ、Ryanster の Annular BOP がどのようにゲームチェンジャーとなり得るかを共有したいと思います。まずはそのデザインを見てみましょう。アニュラー BOP は、磨耗を最小限に抑え、頻繁なメンテナンスの必要性を軽減する堅牢な構造を備えています。この信頼性により、稼働時間が増加し、オペレータの手間が軽減されます。さらに、ユーザーフレンドリーなインストールプロセスにより、チームは複雑なセットアップに伴う遅れを生じることなく、より迅速に作業に戻ることができます。次に、RyansterのAnnular BOPのパフォーマンスは印象的です。高圧下でもしっかりと密閉し、噴出を効果的に防止します。この機能により、業務を保護するだけでなく、関係者全員の安全も強化されます。私は、この追加されたセキュリティ層が現場のチームにどのように安心感をもたらすかを直接見てきました。最後に、この BOP の費用対効果も無視できません。初期投資は多額に見えるかもしれませんが、メンテナンスの削減と運用効率の向上による長期的な節約により、コストはすぐに相殺されます。私は同僚に、信頼性の高い設備への投資は当社の事業の将来への投資であるとよく言い聞かせています。要約すると、Ryanster の Annular BOP は、信頼性、使いやすさ、費用対効果という重要な問題に対処します。この高度な噴出防止装置を選択することで、オペレーターはよりスムーズで安全な穴あけプロセスを保証できます。私の経験では、情報に基づいた選択がより良い結果につながることを示しており、業界の皆様にはこの優れた機器の利点を考慮することをお勧めします。 Ryanster までお問い合わせください: info@ryanster.com/WhatsApp +8613722754350。


参考文献


  1. ライアンスター、2023 年、なぜ 10 台中 9 台のリグが爆発防止のためにライアンスターのアニュラー BOP に依存しているのか 2. ライアンスター、2023 年、ライアンスターの信頼できるアニュラー BOP の背後にある秘密を発見する 3. ライアンスター、2023 年、爆発防止のゲームチェンジャー: ライアンスターのアニュラー BOP 4. ライアンスター、2023 年、なぜ業界なのかリーダーはライアンスターのアニュラー BOP を選択 5. ライアンスター、2023 年、リグの保護: ライアンスターのアニュラー BOP の利点 6. ライアンスター、2023 年、比類のない信頼性: ライアンスターのアニュラー BOP の説明
ご連絡方法

著者:

Mr. ryanster

Eメール:

info@ryanster.com

Phone/WhatsApp:

18311271580

人気商品
あなたも好きかもしれません
関連カテゴリ

この仕入先にメール

タイトル:
携帯電話:
イーメール:
メッセージ:

あなたのメッセージは20から8000文字の間でなければなりません

ご連絡方法
私たちに関しては
We will contact you immediately

Fill in more information so that we can get in touch with you faster

Privacy statement: Your privacy is very important to Us. Our company promises not to disclose your personal information to any external company with out your explicit permission.

送信

Manage Your Cookies

Necessary cookies are always enabled. You can turn off other cookie options. Cookie Policy and Privacy Policy.

To use chat support services, please enable support cookies.

Strictly Required Cookies

Off

These cookies are required for the website to run and cannot be switched off. Such cookies are only set in response to actions made by you such as language, currency, login session, privacy preferences. You can set your browser to block these cookies but this might affect the way our site is working.

Analytics and Statistics

Off

These cookies allow us to measure visitors traffic and see traffic sources by collecting information in data sets. They also help us understand which products and actions are more popular than others.

Marketing and Retargeting

Off

These cookies are usually set by our marketing and advertising partners. They may be used by them to build a profile of your interest and later show you relevant ads. If you do not allow these cookies you will not experience targeted ads for your interests.

Functional Cookies

Off

These cookies enable our website to offer additional functions and personal settings. They can be set by us or by third-party service providers that we have placed on our pages. If you do not allow these cookies, these or some of these services may not work properly
CLOSE ACCEPT SELECTED COOKIES

We've updated our Terms of Service and Privasy Policy, to better explain our service and make it more understandable. By continuing to see this site, you agree to our updated Terms of Service and Privacy Policy. We use cookies to improve and personalize your browsing experience. By clicking "Accept Ceokies", you accept our use of cookies in accordance with our Cookie Policy.